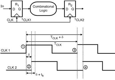
Clock Skew
Que:Explain clock skew and write detail about positive and negative clock skew.
ANS:
- Clock skew means clock riching to flip-flop at different time.
- Differance between arrival time of the clock at different devices.
skew=max|t1-t2|
- There are two types of clock skew: Positive skew & Negative skew
Positive Skew:
- When both data and clock are traveling in same direction it is called positive skew.
- The routing direction decides whether the clock skew is positive or negative.
- If clock at the capture flip-flop takes more time to reach as compared to the clock at the launch flip-flop refer it as positive clock skew.
Negative Skew:
- When both data and clock are traveling in opposite direction it is called negative skew.
- If clock at the capture flip-flop takes less time to reach at the launch flip-flop referred to as negative clock skew.
To Minimize the effect of clock skew:
- In order to control the clock skew the clock distribution techniques are used.
- The main problem in clock distribution is the availability of capacitance which plays important role in clocked system so, avoid this problem using clock distribution.
Sources of clock skew:
- If they are from external sources they may arrive skewed.
- The delays though the clock network may vary with position on the chip.
- Skew can vary with temperature due to temperature dependencies on gate/buffer delay and wire delay.






0 Comments